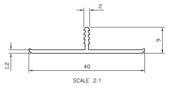
40 x 9 H-Section Lid White 3.05 Mtr HS069

Manufactured from external grade PVC

These items must be ordered in packs as shown, quantities will be rounded up as you add them.

Click on any of the following links to download the file.

There are no reviews for this product yet. Be the first to add one!